A water table is defined as
the surface on which the fluid pressure in the pores of a porous medium is exactly atmospheric.
a ……………………often existed above………………………
saturated capillary fringe
the water table
a hydrologic system is often divided into
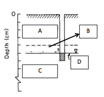
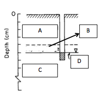
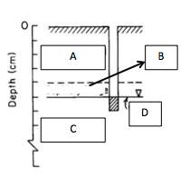
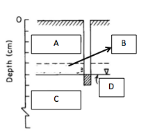
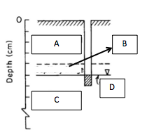
The following figure represents

Hydrologic system zones
A represents

Unsaturated zone
B represents

capillary fringe
C represents

Saturated zone
D represent

Water table
If one places a well a few feet or so below the water table, the water in that well will
rise to the elevation of the water table at the location of the well.
The water table often follows
topography
although the relief of the water table is ……………….. than the topography, ……………………………. generally flows from topographic ………………….to topographic …………….., and discharges at ……………………………..
less - Groundwater - highs - lows - the topographic low spots.
The capillary fringe
subsurface layer in which ground water seeps up from a water table by capillary action to fill pores.
Pores at the base of the capillary fringe are……………………………… due to ………………
filled with water due to tension saturation
This saturated portion of the capillary fringe is ………………than total capillary rise because of ……………………………………….
less
the presence of a mix in pore size.
If pore size is small and relatively uniform, it is …………………………………………..
possible that soils can be completely saturated with water for several feet above the water table.
If pore size is small and relatively uniform, it is possible that soils can be completely saturated with water for several feet above the water table. Alternately, the saturated portion will
extend only a few inches above the water table when pore size is large.
aquifer
geologic unit that can store and transmit water at sufficient rates to supply wells.
Unconfined aquifers
water seeps from the ground surface directly above the aquifer.
Confined aquifers
an impermeable dirt/rock layer exists that prevent water from seeping into the aquifer from the ground surface located directly above. Instead, water seeps into confined aquifers from farther away where the impermeable layer doesn’t exist.
Confining layers are subdivided into
aquifuges (absolutely impermeable) and aquitards (impermeable relative to the adjacent units).
unconfined aquifers
Water table aquifers, those with no confining layer above
confined aquifers
Aquifers overlain by a confining layer
A represents

Recharge
B represents

confined aquifier