Required Practical Activity 4 Flashcards

(18 cards)

1
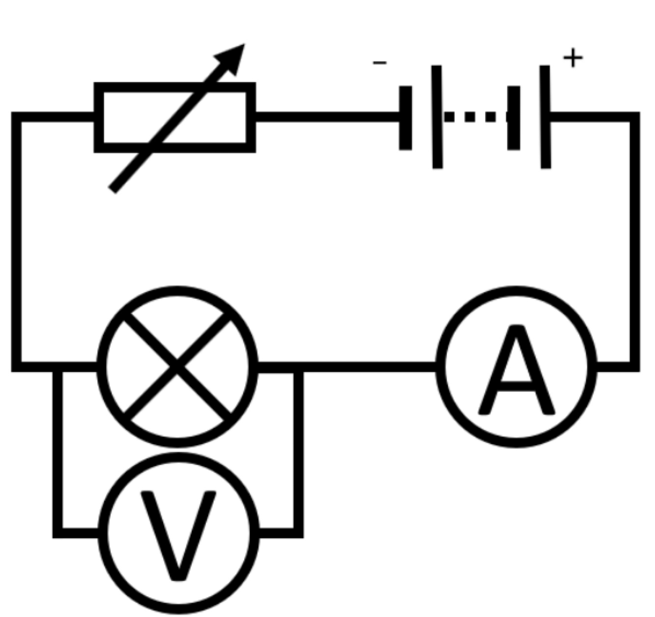
Q

Circuit diagram to find I-V characteristics of filament lamp:

A
How well did you know this?
1
Not at all
2
3
4
5
Perfectly
2
Q

Method to find I-V characteristics of filament lamp:

A
  1. Set up apparatus as shown in circuit diagram above
  2. Change reading on variable resistor until potential difference across filament bulb is -10V (measure the potential difference across the filament bulb using the voltmeter)
  3. Measure current using ammeter connected in series to circuit while potential difference across bulb is -10V
  4. Repeat the experiment but continue to change the reading on the variable resistor until potential difference on voltmeter across the filament bulb in increments of 1V up to 10V
  5. Plot graph of results with potential difference on x-axis and current on the y-axis
How well did you know this?
1
Not at all
2
3
4
5
Perfectly
3
Q

Graph of current and potential difference of a filament lamp:

A
How well did you know this?
1
Not at all
2
3
4
5
Perfectly
4
Q

How do you improve the accuracy when finding the I-V characteristics of a filament bulb?

A
  • Use the same components for each repeat
  • Do not just use the same value of component as they may be slightly different from one another
  • Use a low currentand turn the circuit off between readings - this prevents the wires and components increasing in temperature which would increase resistance and affect future readings including repeat readings
How well did you know this?
1
Not at all
2
3
4
5
Perfectly
5
Q

What are the results for the I-V characteristics of a filament bulb?

A
  • As potential difference increases, current increases
  • At small potential differences the relationship between potential difference and current is linear (the gradient is constant)
  • At large potential differences the gradient becomes more shallow as the resistance of the bulb increases due to a higher temperature in the circuit
How well did you know this?
1
Not at all
2
3
4
5
Perfectly
6
Q

Explain the results for the I-V characteristics of a filament bulb:

A
  • At small potential differences there is a small current so the heating effect of the current is small and the filament remains at a low temperature
  • At large potential differences there is a large electrical current so the heating effect of the current is large which causes the filament to be a high temperature
    • This is caused by electrons in the wire colliding with ions in the metal lattice causing them to vibrate
  • Wires (like the filament) have a greater resistance at higher temperatures, causing the increase in current to be reduced
  • This is because the more the ions in the metal lattice vibrate the more likely electrons are to collide with
    them and slow down
How well did you know this?
1
Not at all
2
3
4
5
Perfectly
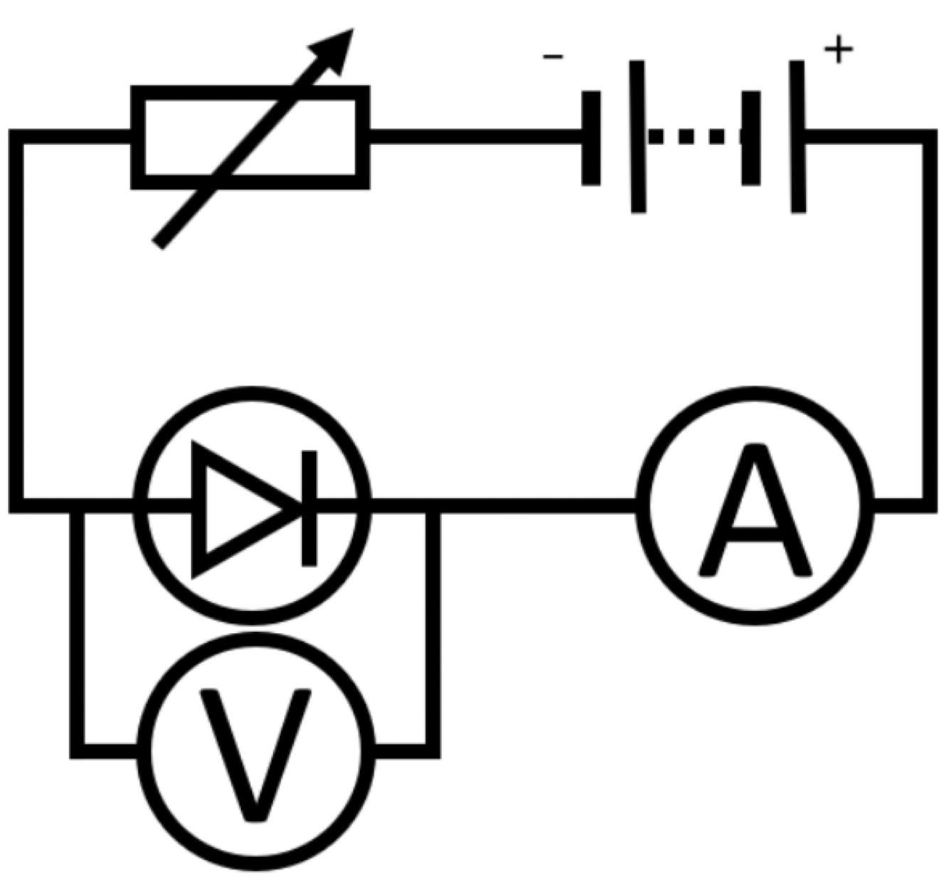
7
Q

Circuit diagram to find I-V characteristics of a diode:

A
How well did you know this?
1
Not at all
2
3
4
5
Perfectly
8
Q

Method to find I-V characteristics of a diode:

A
  1. Set up apparatus as shown in circuit diagram above
  2. Change reading on variable resistor until potential difference across diode is -10V (measure the potential difference across the diode using the voltmeter)
  3. Measure current using ammeter connected in series to circuit while potential difference across diode is -10V
  4. Repeat the experiment but continue to change the reading on the variable resistor until potential difference on voltmeter across the diode in increments of 1V up to 10V
  5. Plot graph of results with potential difference on x-axis and current on the y-axis
How well did you know this?
1
Not at all
2
3
4
5
Perfectly
9
Q

Graph of current and potential difference of a diode:

A
How well did you know this?
1
Not at all
2
3
4
5
Perfectly
10
Q

How do you improve the accuracy when finding the I-V characteristics of a diode?

A
  • Use the same components for each repeat
  • Do not just use the same value of component as they may be slightly different from one another
  • Use a low current and turn the circuit off between readings
  • This prevents the wires and components increasing in temperature which would increase resistance and affect future readings including repeat readings
How well did you know this?
1
Not at all
2
3
4
5
Perfectly
11
Q

What are the results for the I-V characteristics of a diode?

A
  • For a positive potential difference the current increases rapidly with an increase in potential difference
  • For a negative potential differencethe current remains negligible and does not increase as the potential difference becomes larger
How well did you know this?
1
Not at all
2
3
4
5
Perfectly
12
Q

What is the explanation behind the I-V characteristics of a diode?

A

The resistance of a diode is very low for current in the forward direction and very high in the back direction

How well did you know this?
1
Not at all
2
3
4
5
Perfectly
13
Q

Circuit diagram to find I-V characteristics of a resistor:

A
How well did you know this?
1
Not at all
2
3
4
5
Perfectly
14
Q

Method to find IV characteristics of a resistor:

A
  1. Set up apparatus as shown in circuit diagram above
  2. Change reading on variable resistor until potential difference across diode is -10V (measure the potential difference across the resistor using the voltmeter)
  3. Measure current using ammeter connected in series to circuit while potential difference across the resistor is -10V

(reverse the polarity of an electrical circuit, you can switch the connections of the positive and negative terminals of the power supply or battery)

  1. Repeat the experiment but continue to change the reading on the variable resistor until potential difference on voltmeter across the resistor in increments of 1V up to 10V
  2. Plot graph of results with potential difference on x-axis and current on the y-axis
How well did you know this?
1
Not at all
2
3
4
5
Perfectly
15
Q

Graph of current and potential difference across a resistor:

A
How well did you know this?
1
Not at all
2
3
4
5
Perfectly
16
Q

How do you improve the accuracy when finding the I-V characteristics of a resistor?

A
  • Use the same components for each repeat
  • Do not just use the same value of component as they may be slightly different from one another
  • Use a low current and turn the circuit off between readings
  • This prevents the wires and components increasing in temperature which would increase resistance and affect future readings including repeat readings
17
Q

What are the results for the I-V characteristics of a resistor?

A
  • As potential difference increases, current increases
  • The relationship between potential difference and current is linear (the gradient is constant)
  • The current is directly proportional to potential difference
18
Q

What is the explanation behind the I-V characteristics of a resistor?

A

Resistors obey Ohm’s Law so the “current through a resistor at constant temperature is directly proportional to the potential difference across the resistor”